B-gráðu Eberle 0524 61 140 510 Azt I 524 510 Alhliða hitastillir, yfirborðsfestur, gallaður hlutur
B-gráðu Eberle 0524 61 140 510 Azt I 524 510 Alhliða hitastillir, yfirborðsfestur, gallaður hlutur
second-circle
Lítið magn á lager: 1 eftir
Ekki var hægt að hlaða inn tiltækum sendingum til afhendingar
Réttur til að hætta við kaup , sendingar og skil á vörum frá Lieber Deem Billiger Shop (Skóbúð) , sendingar og skil á textílvörum frá Matterhorn Moda , sendingar og skil á skartgripum frá Jens Gallay.
samband
samband
Leyfilegt umhverfishitastig -20 til +40 °C
Rekstrarhamur
vélrænt
Hitastilling, efri gildi
35°C
Hitastilling
5 til 35°C
Sýna
Nei
Fjarlægur skynjari
Nei
Festingargerð
Yfirborðsfest
aflgjafi
knúinn af rafmagni
Rekstrarspenna
230V
Hysteresis
0,5°C
Snertiviðnám
2500W
Snertistraumur
10A
Næturbakslag
Nei
Litur framleiðanda
Grátt
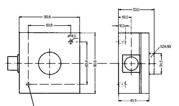
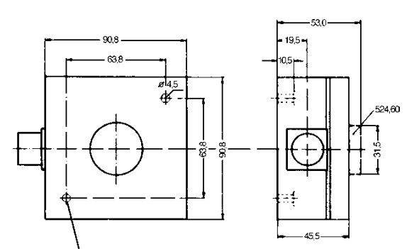
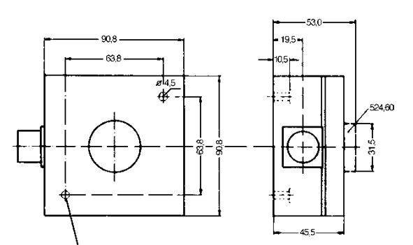
Breidd
9,1 cm
Hæð
9,1 cm
lengd
4,6 cm
Verndarflokkur
IP54
Frostvörn
Nei
Stærðir
(L x B x H) 4,6 x 9,1 x 9,1 cm
framkvæmd
Með innri kvarða
Hitastilling, lægra gildi
5°C
Stillingarsvið
5 - 35°C
Þyngd
250 g
Tegund vöru
Alhliða hitastillir
Deila
